厂家直销、品质钢材、品类齐全、支持定制、快速供货
咨询热线:
刘总 13961737591
60秒人工快速响应
30分钟给予技术答复
24小时免费定制方案
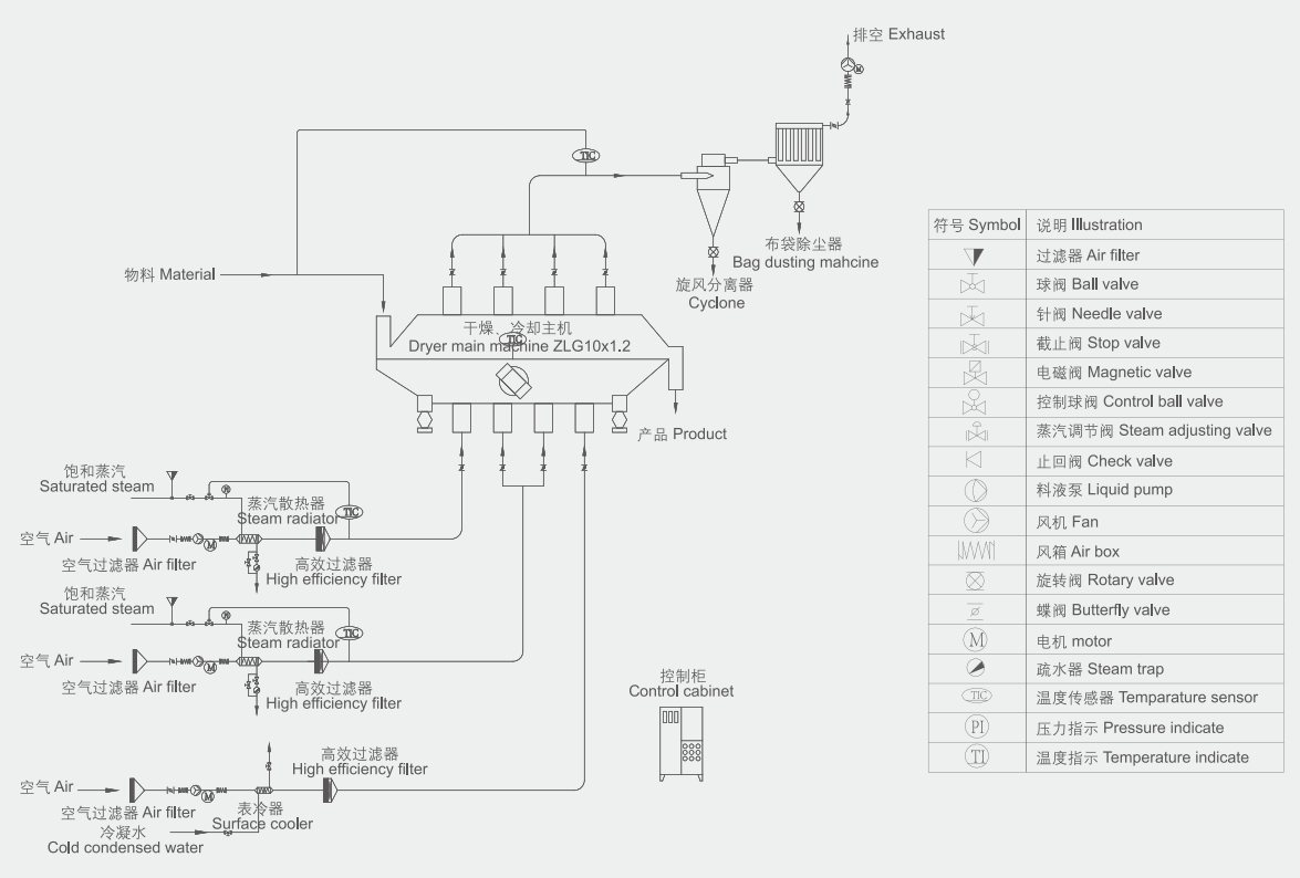
ZLG振动流化床干燥设备是采用沸腾干燥制粒、包衣、冷却的干燥设备。振动流化床干燥器工作时,由振动电机提供的激振力,使物料在空气分布板(冲孔板)上跳跃前进,同时与分布板下方送入的热风接触,进行热、质传递。下箱体为床层提供了一个稳定的具有一定压力的风室。调节引风机,使上箱体中床层物料上部保持微负压,维持良好干燥环境并防止粉尘外泄。空气分布板支撑物料并使热风分布均匀。


结构优势
采用封闭式结构,有效减少物料与外界环境交叉污染,提高洁净度。
性能优势
可用于易碎物料、不规则物料的干燥。

ZLG振动流化床干燥机应用范围:
1、饲料类:木糖、味精、砂糖、柠檬酸、豆粕、酒糟、种子、颗粒状鸡精、一水葡萄糖、乳酸钙、山梨糖醇等;
2、化工类:硼砂、硫铵、复合肥、苯二酚、氧化铁、二甲基苯酚等;
3、废物利用类:各类矿渣废料等。
尚德干燥工程根据ZLG振动流化床干燥设备的特点,提供专业定制服务,并根据物料性质和工艺要求针对性的设计和配套设备,我司根据物料性质,出具专业定制化设计方案,并提供合理化加工工艺配套建议。期待您的光临!