厂家直销、品质钢材、品类齐全、支持定制、快速供货
咨询热线:
刘总 13961737591
60秒人工快速响应
30分钟给予技术答复
24小时免费定制方案
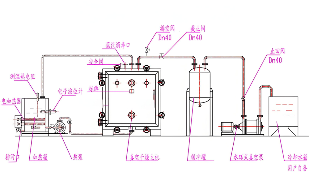
纯水在沸腾状态时具有大的汽化速度。常压下,约100℃时纯水开始沸腾。而在真空条件下,由于系统中水蒸汽分压,远低于物料表面的水蒸汽分压,水的沸点低于100℃。例如:表面降至-0.07MPa时,水在70℃即开始沸腾。一般规律,真空度越高水的沸点越低。在真空干燥器内,汽化后的水能随真空产生迅速排除,所以尽管在较低的操作温度下,本干燥器仍有较大的干燥能力。 设备运行时,物料处于静止状态.有利于保持物料的初始形态,间歇操作,能随时调整工艺条件,本设备均为人工装卸料。 FZG方型系列干燥器,顶部布置为拱型结构,能有效克服凝结水返滴问题,进一步提高了干燥效率,并设计采用了四点合一抽真空结构,保证了各部位物料干燥的均匀性。本设备既可用于低温干燥,又能用于溶剂回收,所用热源可为热水,导热油。 特别适用于干燥过程中怕氧化的物料。


高效干燥
能在较低温度下得到较高的干燥速率,热量利用充分。
适应各种干燥
适合低温干燥或热敏性物料的干燥;能干燥含有溶剂及需回收溶剂的物料。
消毒处理
在干燥前可进行消毒处理,干燥过程中无任何不纯物混入。
真空干燥
本干燥器属于静态真空干燥器,故干燥物料的形体不会损坏。


尚德干燥工程竭诚为您服务