厂家直销、品质钢材、品类齐全、支持定制、快速供货
咨询热线:
刘总 13961737591
60秒人工快速响应
30分钟给予技术答复
24小时免费定制方案
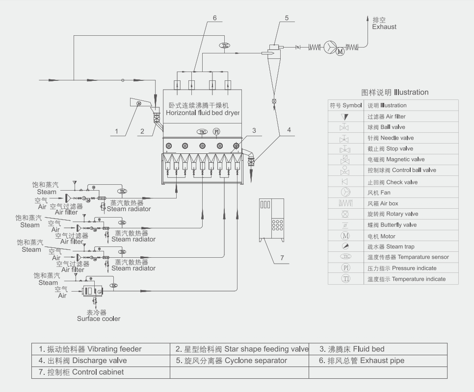
洁净的热风经阀板分配进入床体内,从加料器进入的湿物料被热风形成流化状态如煮沸的开水在床体内跳跃,故称为沸腾干燥器(或机),由于热风与物料广泛接触因此在较短的时间内就可以干燥。从床体的一头进入,经几分钟至几十分钟时间的“沸腾”,从床体的另一头自动流出。


高效干燥
干燥速度快,料液经雾化后,表面积大大增加,在热风气流中,瞬间就可蒸发95%-98%的水份,完成干燥时间仅需数秒钟,特别适用于热敏性物料的干燥。
均匀粒度
产品具有良好的均匀度、流动性和溶解性,产品纯度高,质量好。
操作方便
生产过程简化,操作控制方便。对于湿含量40-60%(特殊物料可达90%)的液体能一次干燥成粉粒产品,干燥后不需粉碎和筛选,减少生产工序,提高产品纯度。对产品粒径,松密度、水份,在一定范围内可通过改变操作条件进行调整,控制和管理都很方便。

尚德干燥工程竭诚为您服务