厂家直销、品质钢材、品类齐全、支持定制、快速供货
咨询热线:
刘总 13961737591
60秒人工快速响应
30分钟给予技术答复
24小时免费定制方案
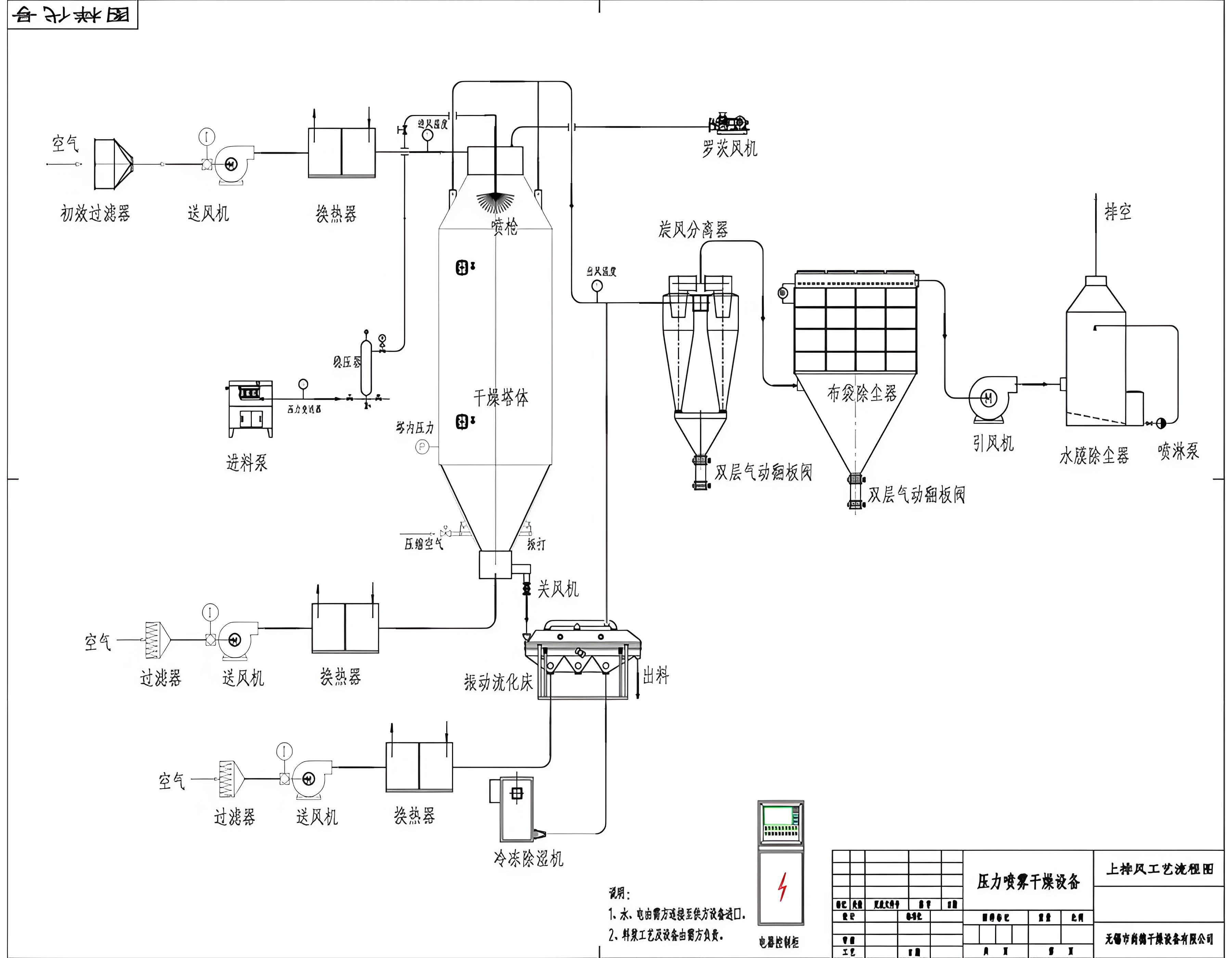
MFSD型上排风多级流化床喷雾干燥机是无尘、自由流动和速溶性团聚颗粒产品规模化生产的理想选择。其特点包括:可调的平均颗粒直径(D50为0.10.35mm)和松堆密度(0.350.6g/ml),适用于生产直接压片的药物、保健品等;在整个干燥过程中能控制颗粒粉末保持低温,适合热敏性产品生产;热塑性、高脂肪含量、粘性和吸湿性强的产品可理想有效地长时间连续生产;干燥在较低排风温度条件下进行,能源利用率高。此外,其灵活的模块化设计可根据客户需求组合,结构紧凑,降低了干燥塔车间造价。

高效干燥
干燥是在较低排风温度条件下进行的,比传统喷雾干燥设备能源利用率高10-15%。
均匀粒度
附聚物产品的平均颗粒直径调整范围(D50)在0.1-0.35mm;附聚物产品的松堆密度的调整范围(0.35-0.6)g/ml。
灵活设计
灵活的模块化设计,成套设备可根据客户实际需求方便的组合;设备结构紧凑,只需相对较小的设备安装空间,很大程度上降低了干燥塔车间造价。

尚德干燥工程竭诚为您服务